E-mail Bilz(847) 734-9390
E-mail BilzRequest Info
[x]
Name

Phone

E-mail


Print pagePrint page

Quick Change Adapters WEN DIN

tp_wen_d.jpgtp_wen.jpg
coolant.pnglength-adjust.png
Quick change adapters WEN DIN
To add a part to your cart, click the Add to cart icon icon. To request information or a quote click View Cart.
Stock standard In Stock, Non-stock standard Not in stock, Non-stock special Not in stock
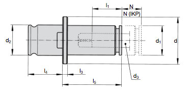
Description d3
 
d d1 d2 DIN371 DIN376 l1 l3 l4 l5 N Series P21 Ident No
WEN1 M3 DIN-371 3.5 2.7 30 19 19 M3 17 4 21.5 34 10 1 21300017 6711829
Qty Add
Add to Cart
Stock standard
WEN1 M4 DIN-371 4.5 3.4 30 19 19 M4 17 4 21.5 34 10 1 21300030 6711836
Qty Add
Add to Cart
Stock standard
WEN1 M5, M6, M8 DIN 6 4.9 30 19 19 M5, M6 M8 17 4 21.5 34 10 1 21300054 6711844
Qty Add
Add to Cart
Stock standard
WEN1 M10 DIN-376/JIS 7 5.5 30 19 19 M10 17 4 21.5 34 10 1 21300068 6711852
Qty Add
Add to Cart
Stock standard
WEN1 M12 DIN-376 9 7 30 19 19 M12 17 4 21.5 34 10 1 21300099 6711863
Qty Add
Add to Cart
Stock standard
WEN1 M10 DIN-371 10 8 30 19 19 M10 17 4 21.5 34 10 1 21300115 6711871
Qty Add
Add to Cart
Stock standard
WEN1 M14 DIN-376 11 9 30 19 19 M14 17 4 21.5 34 10 1 21300123 6711874
Qty Add
Add to Cart
Stock standard
WEN1 B-80 M12 DIN-376 9 7 30 19 19 M12 17 4 21.5 34 10 1 21314099 6712344
Qty Add
Add to Cart
Stock standard
WEN2 M5, M6, M8 DIN 6 4.9 48 30 31 M5, M6 M8 30 5 35 60 15 2 22300004 6715688
Qty Add
Add to Cart
Stock standard
WEN2 M10 DIN-376 7 5.5 48 30 31 M10 30 5 35 60 15 2 22300011 6715691
Qty Add
Add to Cart
Stock standard
WEN2 M8 DIN-371 8 6.2 48 30 31 M8 30 5 35 60 15 2 22300020 6715693
Qty Add
Add to Cart
Stock standard
WEN2 M12 DIN-376 9 7 48 30 31 M12 30 5 35 60 15 2 22300031 6715697
Qty Add
Add to Cart
Stock standard
WEN2 M10 DIN-371 10 8 48 30 31 M10 30 5 35 60 15 2 22300041 6715701
Qty Add
Add to Cart
Stock standard
WEN2 M14 DIN-376 11 9 48 30 31 M14 30 5 35 60 15 2 22300046 6715704
Qty Add
Add to Cart
Stock standard
WEN2 M16 DIN-376 12 9 48 30 31 M16 30 5 35 60 15 2 22300056 6715707
Qty Add
Add to Cart
Stock standard
WEN2 M18 DIN-376 14 11 48 30 31 M18 30 5 35 60 15 2 22300069 6715712
Qty Add
Add to Cart
Stock standard
WEN2 M20 DIN-376 16 12 48 30 31 M20 30 5 35 60 15 2 22300084 6715719
Qty Add
Add to Cart
Stock standard
WEN2 M22 DIN-376 18 14.5 48 30 31 M22, M24 30 5 35 60 15 2 22300097 6715725
Qty Add
Add to Cart
Stock standard
WEN3 M14 DIN-376 11 9 70 48 48 M14 44 6 55.5 83 25 3 23300004 6718774
Qty Add
Add to Cart
Non-stock standard
WEN3 M16 DIN-376 12 9 70 48 48 M16 44 6 55.5 83 25 3 23300006 6718776
Qty Add
Add to Cart
Non-stock standard
WEN3 M18 DIN-376 14 11 70 48 48 M18 44 6 55.5 83 25 3 23300011 6718780
Qty Add
Add to Cart
Non-stock standard
WEN3 M20 DIN-376 16 12 70 48 48 M20 44 6 55.5 83 25 3 23300016 6718783
Qty Add
Add to Cart
Non-stock standard
WEN3 M22 DIN-376 18 14.5 70 48 48 M22, M24 44 6 55.5 83 25 3 23300024 6718788
Qty Add
Add to Cart
Non-stock standard
WEN3 M27 DIN-376 20 16 70 48 48 M27 44 6 55.5 83 25 3 23300030 6718790
Qty Add
Add to Cart
Non-stock standard
WEN3 M30 DIN-376 22 18 70 48 48 M30 44 6 55.5 83 25 3 23300035 6718792
Qty Add
Add to Cart
Non-stock standard
WEN3 M33 DIN-376 25 20 70 48 48 M33 44 6 55.5 83 25 3 23300044 6718795
Qty Add
Add to Cart
Non-stock standard
WEN3 M36 DIN-376 28 22 70 48 48 M36 44 6 55.5 83 25 3 23300051 6718797
Qty Add
Add to Cart
Non-stock standard
WEN4 M24 DIN-376 18 14.5 92 60 60 M22, M24 71 13 63 137 25 4 24300002 6720728
Qty Add
Add to Cart
Non-stock standard
WEN4 M27 DIN-376 20 16 92 60 60 M27 71 13 63 137 25 4 24300004 6720729
Qty Add
Add to Cart
Non-stock standard
WEN4 M30 DIN-376 22 18 92 60 60 M30 71 13 63 137 25 4 24300006 6720730
Qty Add
Add to Cart
Non-stock standard
WEN4 M33 DIN-376 25 20 92 60 60 M33 71 13 63 137 25 4 24300009 6720731
Qty Add
Add to Cart
Non-stock standard
WEN4 M36 DIN-376 28 22 92 60 60 M36 71 13 63 137 25 4 24300012 6720733
Qty Add
Add to Cart
Non-stock standard
WEN4 M39 DIN-376 32 24 92 60 60 M39, M42 71 13 63 137 25 4 24300017 6720736
Qty Add
Add to Cart
Non-stock standard
WEN4 M48 DIN-376 36 29 92 60 60 M45, M48 71 13 63 137 25 4 24300020 6720738
Qty Add
Add to Cart
Non-stock standard
WEN0 M3 DIN-371 3.5 2.7 22 13 13 M3 15 4 19.5 29 8 0 29300025 6722763
Qty Add
Add to Cart
Stock standard
WEN0 M4 DIN-371 4.5 3.4 22 13 13 M4 15 4 19.5 29 8 0 29300044 6722769
Qty Add
Add to Cart
Stock standard
WEN0 6x4.9 M5, M6, M8 DIN 6 4.9 22 13 13 M5, M6 M8 15 4 19.5 29 8 0 29300067 6722778
Qty Add
Add to Cart
Stock standard
WEN0 M10 DIN-376 7 5.5 22 13 13 M10 15 4 19.5 29 8 0 29300082 6722784
Qty Add
Add to Cart
Stock standard
WEN0-50 M3 DIN-371 3.5 2.7 22 13 13 M3 15 4 19.5 29 8 0 29311025 6722842
Qty Add
Add to Cart
Non-stock standard
WEN0-60 M2 DIN-371 2.8 2.1 22 13 13 M2 15 4 19.5 29 8 0 29312007 6722864
Qty Add
Add to Cart
Non-stock standard
WEN0-70 M3 DIN-371 3.5 2.7 22 13 13 M3 15 4 19.5 29 8 0 29313025 6722890
Qty Add
Add to Cart
Non-stock standard