View Cart: 0
SEARCH
Products
ThermoGrip Tool Holding
ThermoGrip Machines
Standard Chucks
TSF Slim Chucks
TER collets
TSFV Extensions
ThermoGrip Accessories
Tapping
Quick Change Chucks
Quick Change Adapters
SCK Synchro Chucks
SCK Synchro Accessories
Attachments TA
STA Synchro Tap Adapter
Reaming
Drilling
SBK-SEK
Adapters
Chucks
Accessories
MQL
MQL Overview
WFLC-MQL
SCK-MQL
Ratchet Program
Ratchet Overview
Ratchet Type R/RR
Air Couplings
Air Couplings Overview
Air Pressure Valves & Guns
Specialty Tools
HFP Intelligent Tools
Engraving Chuck
Stamping Chucks
Stud Driving Chucks
FormBore System Tools
CNC Tools
Collet Chuck Holders
Hi-Power Milling Chucks
Shell Mill Holders
Side Lock Holders
CNC Blank Bars
CNC Accessories
CNC Drill Chucks
Literature
About Us
Contact
(847) 734-9390
Request Info
[x]
Name
Phone
E-mail
Submit
Print page
Quick Change Adapters WESR ANSI
Quick Change Adapters WESR ANSI
To add a part to your cart, click the
icon. To request information or a quote click View Cart.
Stock standard
, Non-stock standard
, Non-stock special
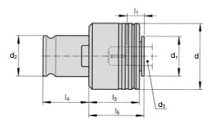
Description
d3
d
d1
d2
Tap
l1
l3
l4
l5
Series
P21
Ident No
WESR2B 1/4" PIPE
14.29
10.69
50
30
31
1/4" pipe
30
31
34
35
2
22602002
6716813
Qty
Add
WESR2B 1/2" PIPE
17.46
13.08
50
30
31
1/2" Pipe
30
31
34
35
2
22602004
6716815
Qty
Add
WESR2B 3/8" PIPE
17.78
13.49
50
30
31
3/8" Pipe
30
31
34
35
2
22602005
6716816
Qty
Add
WESR2B 1/8"LS PIPE
11.11
8.33
50
30
31
1/8" LS pipe
30
31
34
35
2
22602016
6716826
Qty
Add
WESR3B 3/4 PIPE
23.02
17.25
72
48
48
3/4" pipe
44
41
55.5
45
3
23602004
6719435
Qty
Add
WESR3B 1" PIPE
28.57
21.41
72
48
48
1" pipe
44
41
55.5
45
3
23602007
6719437
Qty
Add
WESR3B 3/8" PIPE
17.78
13.5
72
48
48
3/8" Pipe
44
41
55.5
45
3
23602035
6719451
Qty
Add
WESR3B 1/2" PIPE
17.46
13.08
72
48
48
1/2" Pipe
44
41
55.5
45
3
23602036
6719452
Qty
Add
WESR4B 1-3/8"
28.14
21.11
95
60
60
1-3/8"
71
61
63
68
4
24602001
6720994
Qty
Add
WESR4B 1-1/2"
31.32
23.5
95
60
60
1-1/2"
71
61
63
68
4
24602004
6720996
Qty
Add
WESR4B 1-5/8"
33.15
24.87
95
60
60
1-5/8"
71
61
63
68
4
24602005
6720997
Qty
Add
WESR4B 1-1/4" PIPE
33.34
24.99
95
60
60
1-1/4" pipe
71
61
63
68
4
24602006
6720998
Qty
Add
WESR4B 1-3/4"
36.32
27.23
95
60
60
1-3/4"
71
61
63
68
4
24602007
6720999
Qty
Add
WESR4B 1-1/2" PIPE
38.1
28.57
95
60
60
1-1/2" Pipe
71
61
63
68
4
24602008
6721000
Qty
Add
WESR4B 1-7/8"
38.58
28.93
95
60
60
1-7/8"
71
61
63
68
4
24602009
6721001
Qty
Add
WESR4B-3/4" PIPE
23
17.5
95
60
60
3/4" pipe
71
61
63
68
4
24602025
6721009
Qty
Add
WESR4B 1"
20.32
15.24
95
60
60
1"
71
61
63
68
4
24602033
6721016
Qty
Add
WESR4B 1-1/8"
22.76
17.07
95
60
60
1-1/8"
71
61
63
68
4
24602035
6721018
Qty
Add
WESR4B 1-1/4"
25.93
19.46
95
60
60
1-1/4"
71
61
63
68
4
24602037
6721020
Qty
Add
WESR4B 1" PIPE
28.57
21.41
95
60
60
1" pipe
71
61
63
68
4
24602043
6721026
Qty
Add
© 2026, ALL RIGHTS RESERVED. BILZ TOOL COMPANY, INC.
1140 NORTH MAIN STREET, LOMBARD, IL 60148
1-847-734-9390